Описание
Одноточечный холодильник отбора проб пара и воды ХО3 КОРАЛ предназначен для охлаждения отбираемых жидкостей. Которые в дальнейшем подвергаются химанализу. Температура охлаждения жидкости осуществляется в диапазоне от +30 до +40°С.
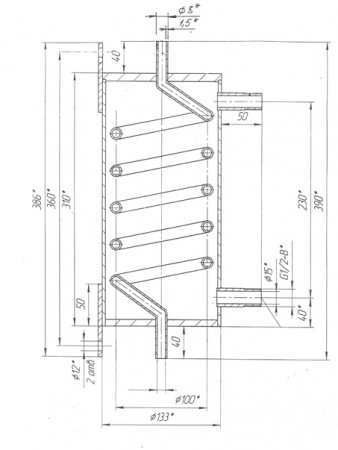
Холодильник Х03 КОРАЛ состоит из сварного корпуса, к кторому приварены патрубки для отвода и подвода охлаждающей воды. Змеевик, смонтированный внутри корпуса, концами трубки для входа и выхода пробы выведен наружу и заканчивается штуцерным присоединением.
Холодильник Х03 КОРАЛ состоит из сварного корпуса, к кторому приварены патрубки для отвода и подвода охлаждающей воды. Змеевик, смонтированный внутри корпуса, концами трубки для входа и выхода пробы выведен наружу и заканчивается штуцерным присоединением.

